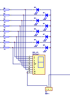
De uitgangen
Men kan kiezen uit 2 uitgangen ofwel ledjes ofwel een 7 segment display d.m.v. een jumper. De weerstanden (R2 tot R9) zijn 1K groot en zorgen ervoor dat de ledjes en de display niet overbelast worden, men mag ze ook niet te groot nemen anders zouden de uitgangen geen licht meer geven.

de uitgangen

terug naar het schema